
GXO-U108H
5V 7x5mm Oscillator with 50pF CMOS Driving Ability
- Standard frequencies held in stock
- High drive capability - up to 50pF
- Enable / disable tristate function
Specifications
Frequency range |
1.8 ~ 80.0MHz |
Dimensions |
7.5 x 5.0 x 1.4mm |
Storage temperature range |
-55 to +125°C |
Supply voltage (VDD) |
+5.0V (±0.5V) |
Supply current |
27mA max (≤32.0MHz) |
Supply current (mA max) |
45 mA max (>32.0 ~ 50.0MHz) 75 mA max (>50.0 ~ 80.0MHz) |
Logic levels |
‘0’ level = 10%VDD max ‘1’ level = 90%VDD min |
Start up time |
5ms max (≤32MHz) 10ms max (>32MHz) |
Waveform symmetry |
45:55 max |
Driving ability |
10 TTL 50pF CMOS |
Rise / fall time |
7ns max (<80MHz) |
Enable / disable function |
Tristate (control via pad 1) 100ns / 100ns |
Net Mass |
135mg |
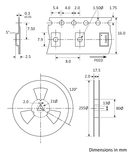
Package Drawing

Ordering Information
To request a quotation for the GXO-U108H please use the configurable options form to choose the options you require and then submit your configured product to our team. Our expert advisers are always happy to help with your requirements and can be contacted on +44 1460 256 100 or at sales@golledge.com.
Following product selection you will be issued with a seven character Golledge part number. Your Golledge part number is the internationally accepted Golledge manufacturing part number (MPN) that should be used for all project documentation, including bills of materials (BoMs) and purchase orders.
If you have any queries regarding any of our documentation our dedicated sales team will be happy to help.
Enable / Disable Function
Input (pad 1) | Output (pad 3) |
---|---|
Open | Enabled |
'1' level | Enabled |
'0' level | High Impedance |
Marking


Soldering Profile

Tape & Reel Specification

Handling & Storage
Human Body Model (HBM) 1A (250V to <500V)
Moisture Sensitivity Level (MSL): 1 (or not applicable)
Construction
- Ceramic body with gold-plated pads
- Metal lid, seam sealed
Compliance
Please refer to our DOCUMENTS section for more information.
Lead-free (< 0.1% by weight )
RoHS compliant with no exemptions.
REACH compliant.
Free of conflict minerals.
Free from halogens.
Free from ozone-depleting substances.