
GSX49-4
4.3mm Low Profile SM Crystal
- Industry standard HC49 footprint
- Low profile case
- Fundamental mode available up to 50.0MHz
- Large stocks of standard frequencies
- Lowest cost SMD crystal
Specifications
Frequency range |
3.180 ~ 90.0MHz |
Dimensions |
11.4 x 4.7 x 4.3mm |
Package |
HC49-4H SMD |
Storage temperature range |
-40 to +90°C |
Equivalent series resistance |
300Ω max (>3.1 ~ 3.5MHz) 150Ω max (>3.5 ~ 4.0MHz) 120Ω max (>4.0 ~ 4.4MHz) 100Ω max (>4.4 ~ 7.0MHz) 70Ω max (>7.0 ~ 10.0MHz) 50Ω max (>10.0 ~ 50.0MHz, fund) 100Ω max (>25.0 ~ 90.0MHz, 3rd OT) |
Static capacitance (C0) |
7pF max |
Ageing |
±3ppm max first year |
Test drive level |
100µW |
Net mass |
560mg |
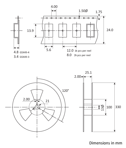
Package Drawing

Ordering Information
To request a quotation for the GSX49-4 please use the configurable options form to choose the options you require and then submit your configured product to our team. Our expert advisers are always happy to help with your requirements and can be contacted on +44 1460 256 100 or at sales@golledge.com.
Following product selection you will be issued with a seven character Golledge part number. Your Golledge part number is the internationally accepted Golledge manufacturing part number (MPN) that should be used for all project documentation, including bills of materials (BoMs) and purchase orders.
If you have any queries regarding any of our documentation our dedicated sales team will be happy to help.
Marking

Soldering Profile

Tape & Reel Specification

A:330 B:24 C:13.9 D:5.6 E:12 F:4.8 G:100 H:21
Handling & Storage
Human Body Model (HBM) 1A (250V to <500V)
Moisture Sensitivity Level (MSL): 1 (or not applicable)
Construction
- Metal package, hermetic seal
- Insulating base, formed leads
Compliance
Please refer to our DOCUMENTS section for more information.
Lead-free (< 0.1% by weight )
RoHS compliant with no exemptions.
REACH compliant.
Free of conflict minerals.
Free from halogens.
Free from ozone-depleting substances.