
UM-5J
SM Crystal with Formed Leads for Closer Board Stacking
- Wide frequency range
- Tight specifications available
- Fundamental mode up to 55.0MHz
- Slim case (2.6mm) available over 20.0MHz
Specifications
Frequency range |
10.0 ~ 300MHz |
Dimensions |
9.6 x 7.8 x 3.5mm |
Package |
Resistance weld |
Storage temperature range |
-40 to +85°C |
Static capacitance (C0) |
7pF max |
Equivalent series resistance |
60Ω max (10.0 ~ 15.99MHz) 40Ω max (16.0 ~ 54.99MHz) 50Ω max (30.0 ~ 49.99MHz, 3rd OT) 60Ω max (50.0 ~ 100MHz, 3rd OT) 120Ω max (60.0 ~ 150MHz, 5th OT) 150Ω max (130 ~ 300MHz, 7th OT) |
Ageing |
±3ppm max first year |
Test drive level |
100µW |
Soldering conditions |
260°C, 10sec max x 2 |
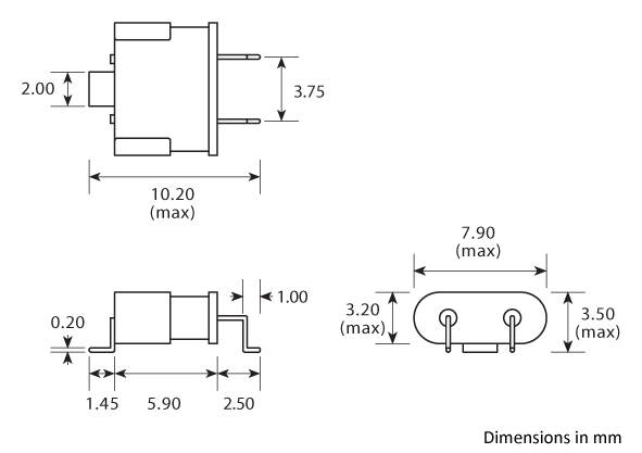
Package Drawing

Ordering Information
To request a quotation for the UM-5J please use the configurable options form to choose the options you require and then submit your configured product to our team. Our expert advisers are always happy to help with your requirements and can be contacted on +44 1460 256 100 or at sales@golledge.com.
Following product selection you will be issued with a seven character Golledge part number. Your Golledge part number is the internationally accepted Golledge manufacturing part number (MPN) that should be used for all project documentation, including bills of materials (BoMs) and purchase orders.
If you have any queries regarding any of our documentation our dedicated sales team will be happy to help.
ESR Values
The table shows the maximum ESR value in ohms across the frequency range of the UM-5J
Frequency | Oscillation Mode | ESR Value/ohms |
---|---|---|
10.0 ~ 15.9 | Fundamental | 60 |
16.0 ~ 55.0 | Fundamental | 40 |
30.0 ~ 49.0 | 3rd Overton | 50 |
50.0 ~ 100 | 3rd Overtone | 60 |
60.0 ~ 150 | 5th Overtone | 120 |
130 ~ 300 | 7th Overtone | 150 |
Tape & Reel Specification

A:180 B:24 C:12.5 D:8.4 E:12 F:4.4 G:60 H:21
Handling & Storage
Human Body Model (HBM) 1A (250V to <500V)
Moisture Sensitivity Level (MSL): 1 (or not applicable)
Construction
Resistance weld
Compliance
Lead-free (< 0.1% by weight )
RoHS compliant with no exemptions. See our declaration
REACH compliant. See our statement
Free of conflict minerals. See our declaration
Free of Halogens. See our declaration
Free of Ozone-depleting substances. See our declaration