
GXO-L71G
1.8V LVDS Oscillator for High Speed Data Transfer with Power Saving
- LVDS output
- Low phase jitter
- Enable / disable tristate function
- Power saving function
- Fast rise / fall times
Specifications
Frequency range |
75.0 ~ 315MHz |
Dimensions |
7.5 x 5.0 x 1.5mm |
Storage temperature range |
-55 to +125°C |
Supply voltage (VDD) |
+1.8V (±5%) |
Supply current |
63mA max |
Output |
LVDS |
Offset voltage |
1.25V typ |
Differential output voltage |
0.247V ~ 0.454V (0.33V typ) |
Output load |
100Ω |
Start up time |
10ms max |
Waveform symmetry |
45:55 max @ 50%VP-P |
Rise / fall time |
0.7ns max (20 ~ 80%VP-P) |
Enable / disable function |
Tristate (control via pad 1) |
Output enable / disable time |
10 ms / 200ns max |
Stand-by current |
30µA max |
Phase jitter RMS |
1ps max (0.3ps typ), 12kHz~20MHz |
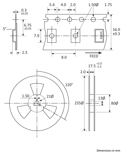
Package Drawing

Ordering Information
To request a quotation for the GXO-L71G please use the configurable options form to choose the options you require and then submit your configured product to our team. Our expert advisers are always happy to help with your requirements and can be contacted on +44 1460 256 100 or at sales@golledge.com.
Following product selection you will be issued with a seven character Golledge part number. Your Golledge part number is the internationally accepted Golledge manufacturing part number (MPN) that should be used for all project documentation, including bills of materials (BoMs) and purchase orders.
If you have any queries regarding any of our documentation our dedicated sales team will be happy to help.
Enable / Disable Function
Input (pad 1) | Output 1 (pad 4) | Output 2 (pad 5) |
---|---|---|
Open | Enabled | Enabled |
'1' level (≥0.7 VDD) | Enabled | Enabled |
'0' level (≤0.3 VDD) | High Impedance | High Impedance |
Marking


Soldering Profile

Tape & Reel Specification

Handling & Storage
Human Body Model (HBM) 1A (250V to <500V)
Moisture Sensitivity Level (MSL): 1 (or not applicable)
Construction
- Ceramic body with gold-plated pads
- Metal lid, seam sealed
Compliance
Please refer to our DOCUMENTS section for more information.
Lead-free (< 0.1% by weight )
RoHS compliant with no exemptions.
REACH compliant.
Free of conflict minerals.
Free from halogens.
Free from ozone-depleting substances.