
GXO-2204L
3.3V CMOS Oscillator
- Competitive pricing for high volumes
- Miniature ceramic package with metal lid
- Industry standard footprint
- Enable / disable tristate function
Specifications
Frequency range |
1.0 ~ 80.0MHz |
Dimensions |
2.0 x 1.6 x 0.8mm |
Storage temperature range |
-55 to +125°C |
Supply voltage (VDD) |
+3.3V (±10%) |
Supply current |
7mA max (≤16.0MHz) 20mA max (>17.0 ~ 80.0MHz) |
Logic levels |
‘0’ level = 10%VDD max ‘1’ level = 90%VDD min |
Start up time |
10ms max |
Waveform symmetry |
45:55 @ 50%VDD |
Driving ability |
15pF CMOS |
Rise / fall time |
7ns max |
Enable / disable function |
Tristate (control via pad 1) |
Ageing |
±5ppm / year max |
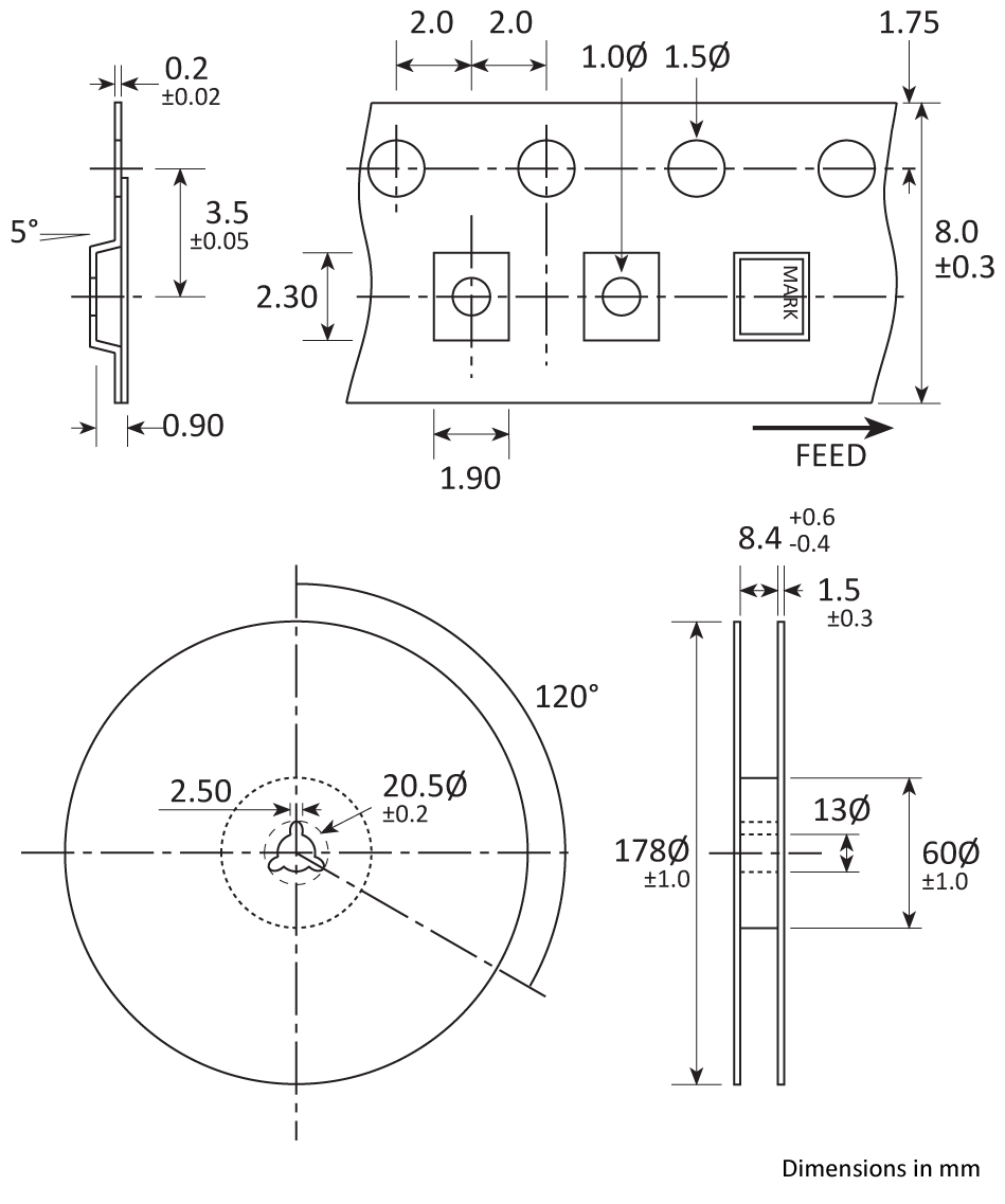
Package Drawing

Ordering Information
To request a quotation for the GXO-2204L please use the configurable options form to choose the options you require and then submit your configured product to our team. Our expert advisers are always happy to help with your requirements and can be contacted on +44 1460 256 100 or at sales@golledge.com.
Following product selection you will be issued with a seven character Golledge part number. Your Golledge part number is the internationally accepted Golledge manufacturing part number (MPN) that should be used for all project documentation, including bills of materials (BoMs) and purchase orders.
If you have any queries regarding any of our documentation our dedicated sales team will be happy to help.
Enable / Disable Function
Input (pad 1) | Output (pad 3) |
---|---|
Open | Enabled |
'1' level | Enabled |
'0' level | High Impedance |
Marking


Soldering Profile

Tape & Reel Specification

Handling & Storage
Human Body Model (HBM) 1A (250V to <500V)
Moisture Sensitivity Level (MSL): 1 (or not applicable)
Construction
Ceramic body with gold-plated pads Metal lid, seam sealed
Compliance
Lead-free (< 0.1% by weight )
RoHS compliant with no exemptions. See our declaration
REACH compliant. See our statement
Free of conflict minerals. See our declaration
Free of Halogens. See our declaration
Free of Ozone-depleting substances. See our declaration