
GXO-2201J
2.5V CMOS Oscillator with Low Jitter
- Competitive pricing for high volumes
- Miniature ceramic package with metal lid
- Low voltage supply
- Enable / disable tristate function
Specifications
Frequency range |
1.50 ~ 54.0MHz |
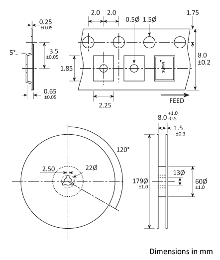
Dimensions |
2.0 x 1.6 x 0.85mm |
Operating temperature range |
-20 to +70°C |
Storage temperature range |
-40 to +85°C |
Supply voltage (VDD) |
+2.5V (±5%) |
Supply current |
3.0mA max (< 24.0MHz) 4.5mA max (24.0 ~ 39.9MHz) 5.0mA max (>= 40MHz) |
Logic levels |
‘0’ level = 10%VDD max ‘1’ level = 90%VDD min |
Start up time |
10ms max |
Waveform symmetry |
45:55 max @ 50%VDD |
Driving ability |
15pF CMOS |
Rise / fall time (10~90%VDD) |
5.0ns max |
Enable / disable function |
Tristate (control via pad 1) |
Period jitter RMS |
5ps max |
Phase jitter RMS |
1ps max, 12kHz~20MHz |
Ageing |
±5ppm max 1st year |
Net Mass |
8.86mg |
Package Drawing

Ordering Information
To request a quotation for the GXO-2201J please use the configurable options form to choose the options you require and then submit your configured product to our team. Our expert advisers are always happy to help with your requirements and can be contacted on +44 1460 256 100 or at sales@golledge.com.
Following product selection you will be issued with a seven character Golledge part number. Your Golledge part number is the internationally accepted Golledge manufacturing part number (MPN) that should be used for all project documentation, including bills of materials (BoMs) and purchase orders.
If you have any queries regarding any of our documentation our dedicated sales team will be happy to help.
Enable / Disable Function
Input (pad 1) | Output (pad 3) |
---|---|
Open | Enabled |
'1' level | Enabled |
'0' level | High Impedance |
Marking


Soldering Profile

Tape & Reel Specification

Handling & Storage
Human Body Model (HBM) 1A (250V to <500V)
Moisture Sensitivity Level (MSL): 1 (or not applicable)
Construction
- Ceramic body with gold-plated pads
- Metal lid, seam sealed
Compliance
Please refer to our DOCUMENTS section for more information.
Lead-free (< 0.1% by weight )
RoHS compliant with no exemptions.
REACH compliant.
Free of conflict minerals.
Free from halogens.
Free from ozone-depleting substances.