
GTXO-91V
Miniature SM VCTCXO with Clipped Sine Output and ±0.5ppm Stability Option
- Ideally suited for wireless applications
- Supply voltage from 1.8V ~ 3.3V
- Excellent frequency stability over -40 to +85°C
- Excellent phase noise
- Industry standard 3225 package
Specifications
Frequency range |
8.0 ~ 52.0MHz |
Dimensions |
3.2 x 2.5 x 1.0mm |
Storage temperature range |
-40 to +85°C |
Supply voltage stability |
±0.2ppm, VDD ±5% |
Load stability |
±0.2ppm, ZL ±10% |
Ageing |
±1.0ppm max first year |
Supply current |
1.5mA max (8.0 ~ 26.0MHz) 2.0mA max (26.0 ~ 32.0MHz) 2.5mA max (32.0 ~ 52.0MHz) |
Output waveform |
Clipped sine, 0.8V p-p, +DC offset |
Test load (ZL) |
10kΩ // 10pF |
Start up time |
2.5ms max |
Frequency adjustment |
±8ppm min, 1.5 ±1.0V ±8ppm min, +0.9 ±0.9V (VDD=1.8V) |
Phase noise (typ @ 20.0MHz) |
-90dBc/Hz @ 10Hz -119dBc/Hz @ 100Hz -139dBc/Hz @ 1kHz -151dBc/Hz @ 10kHz -153dBc/Hz @ 100kHz |
Frequency tolerance @ 25°C |
±2.0ppm max, 60mins after reflow |
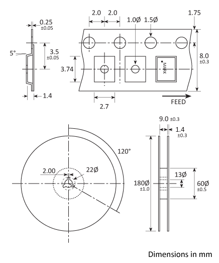
Package Drawing

Ordering Information
To request a quotation for the GTXO-91V please use the configurable options form to choose the options you require and then submit your configured product to our team. Our expert advisers are always happy to help with your requirements and can be contacted on +44 1460 256 100 or at sales@golledge.com.
Following product selection you will be issued with a seven character Golledge part number. Your Golledge part number is the internationally accepted Golledge manufacturing part number (MPN) that should be used for all project documentation, including bills of materials (BoMs) and purchase orders.
If you have any queries regarding any of our documentation our dedicated sales team will be happy to help.
Marking

Soldering Profile

Tape & Reel Specification

Handling & Storage
Human Body Model (HBM) 1A (250V to <500V)
Moisture Sensitivity Level (MSL): 1 (or not applicable)
Construction
- Ceramic body with gold-plated pads
- Metal lid, seam sealed
Compliance
Please refer to our DOCUMENTS section for more information.
Lead-free (< 0.1% by weight )
RoHS compliant with no exemptions.
REACH compliant.
Free of conflict minerals.
Free from halogens.
Free from ozone-depleting substances.