
GOXO-149
3.3V Surface Mount OCXO
- Miniature SM package - 50% smaller footprint than DIL-14
- Ideally suited for base stations, VSAT etc
- Outstanding phase noise characteristics
- 3.3V supply
- LVCMOS output
Specifications
Frequency range |
10.0 ~ 80.0MHz |
Dimensions |
14.10 x 9.10 x 8.51mm |
Ageing (after 30 days) |
< ±1x10-8 per day < ±5x10-7 first year |
Calibration tolerance @ 25°C |
< ±1x10-6 |
Frequency stability |
< ±2x10-8 per 5% change in load < ±2x10-8 per 5% change in VDD |
Overall stability* |
±4.6x10-6 max |
Storage temperature range |
-55 to +125°C |
Output waveform |
15pF LVCMOS 45:55% @ 50%VDD |
Rise / fall times |
6.5ns |
Start up time |
10ms |
Supply voltage (VDD) |
+3.3V (±5%) |
Power consumption (0+70°C) |
2.5W max at switch on 1.1W typ when stabilised at 25°C |
Warm up (to within spec) |
60s at +25°C 90s at -40°C |
Root Allan variance (1 sec) |
< ±1x10-9 |
Phase noise (@ 10.0MHz) |
< -100 dBc/Hz @ 10Hz < -128 dBc/Hz @ 100Hz < -145 dBc/Hz @ 1kHz < -151 dBc/Hz @ 10kHz < -154 dBc/Hz @ 100kHz |
Phase jitter RMS |
0.25ps typ, 0.35ps max, 12kHz~fo/2 |
Package Drawing

Ordering Information
To request a quotation for the GOXO-149 please use the configurable options form to choose the options you require and then submit your configured product to our team. Our expert advisers are always happy to help with your requirements and can be contacted on +44 1460 256 100 or at sales@golledge.com.
Following product selection you will be issued with a seven character Golledge part number. Your Golledge part number is the internationally accepted Golledge manufacturing part number (MPN) that should be used for all project documentation, including bills of materials (BoMs) and purchase orders.
If you have any queries regarding any of our documentation our dedicated sales team will be happy to help.
Marking

Soldering Profile

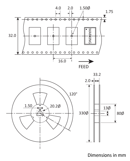
Tape & Reel Specification

Handling & Storage
Human Body Model (HBM) 1A (250V to <500V)
Moisture Sensitivity Level (MSL): 1 (or not applicable)
Construction
FR4 substrate, Ryton R4 cover, Water resistant, non hermetic seal
Compliance
Please refer to our DOCUMENTS section for more information.
Lead-free (< 0.1% by weight )
RoHS compliant with no exemptions.
REACH compliant.
Free of conflict minerals.
Free from halogens.
Free from ozone-depleting substances.