
GVXO-533
3.3V 6-pad high frequency VCXO with inverted mesa technology
- High frequency using mesa technology
- Choice of pullability and stability
- Enable / disable tristate function
- Miniature SM package
Specifications
Frequency range |
1.0 ~ 125MHz |
Dimensions |
5.0 x 3.2 x 1.5mm |
Voltage control |
+1.65V ±1.50V, 10% linearity |
Storage temperature range |
-40 to +85°C |
Supply voltage (VDD) |
+3.3V (±5%) |
Supply current |
15mA max (1.0 ~ 30.0MHz) 25mA max (>30.0 ~ 52.0MHz) 35mA max (>52.0MHz) |
Driving ability |
15pF CMOS |
Logic levels |
‘0’ level = 10%VDD max ‘1’ level = 90%VDD min |
Waveform symmetry |
40:60 max @ 50%VDD |
Rise / fall time (20%~80%VDD) |
5ns max |
Start up time |
10ms max |
Enable / disable function |
Tristate (control via pad 2) |
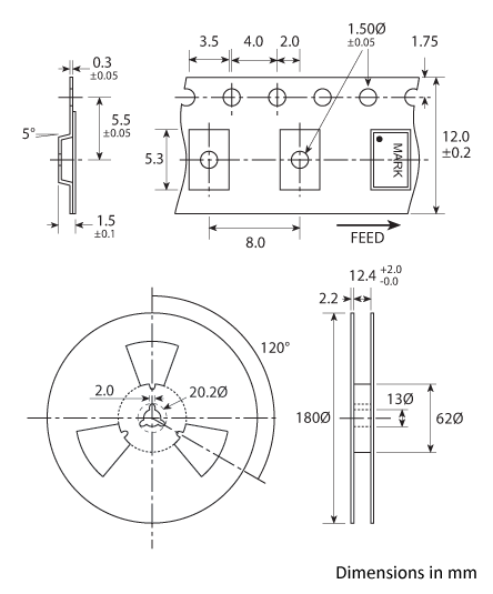
Package Drawing

Ordering Information
To request a quotation for the GVXO-533 please use the configurable options form to choose the options you require and then submit your configured product to our team. Our expert advisers are always happy to help with your requirements and can be contacted on +44 1460 256 100 or at sales@golledge.com.
Once we've received your request our expert team will then produce a quotation tailored to meet your needs using the option codes you've selected.
Following product selection you will be issued with a seven character Golledge part number. Your Golledge part number is the internationally accepted Golledge manufacturing part number (MPN) that should be used for all project documentation, including bills of materials (BoMs) and purchase orders.
If you have any queries regarding any of our documentation our dedicated sales team will be happy to help.
Enable / Disable Function
Input (pad 2) | Output (pad 4) |
---|---|
Open | Enabled |
'1' level | Enabled |
'0' level | High Impedance |
Marking


Soldering Profile

Tape & Reel Specification

Handling & Storage
Human Body Model (HBM) 1A (250V to <500V)
Moisture Sensitivity Level (MSL): 1 (or not applicable)
Construction
- Ceramic body with gold-plated pads
- Metal lid, seam sealed
Compliance
Lead-free (< 0.1% by weight )
RoHS compliant with no exemptions. See our declaration
REACH compliant. See our statement
Free of conflict minerals. See our declaration
Free of Halogens. See our declaration
Free of Ozone-depleting substances. See our declaration