
GSX-228
High Frequency Fundamental Mode Ultra-Miniature SM Crystal
- Fundamental mode up to 315MHz
- Plasma etched inverted mesa process
- Wide pulling range (fundamental mode)
- Small & medium volumes also available
- Custom frequencies available on short leadtimes
Specifications
Frequency range |
20.0 ~ 315MHz |
Dimensions |
2.0 x 1.6 x 0.5mm |
Storage temperature range |
-40 to +90°C |
Equivalent series resistance (max) |
100Ω (20.0 ~ 35.9MHz) 80Ω (36.0 ~ 69.9MHz) 60Ω (70.0 ~ 315MHz, fund) |
Ageing |
±3ppm max first year |
Test drive level |
10µW typ, 100µW max (<70.0MHz) 2.0µW max (70.0MHz+) |
Soldering condition |
260°C, 10sec x2 max |
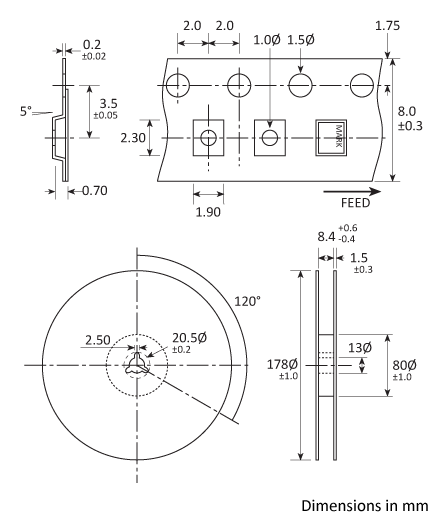
Package Drawing

Ordering Information
To request a quotation for the GSX-228 please use the configurable options form to choose the options you require and then submit your configured product to our team. Our expert advisers are always happy to help with your requirements and can be contacted on +44 1460 256 100 or at sales@golledge.com.
Following product selection you will be issued with a seven character Golledge part number. Your Golledge part number is the internationally accepted Golledge manufacturing part number (MPN) that should be used for all project documentation, including bills of materials (BoMs) and purchase orders.
If you have any queries regarding any of our documentation our dedicated sales team will be happy to help.
Marking


Soldering Profile

Tape & Reel Specification

Handling & Storage
Human Body Model (HBM) 1A (250V to <500V)
Moisture Sensitivity Level (MSL): 1 (or not applicable)
Construction
Ceramic body with gold-plated pads Metal lid, seam sealed
Compliance
Please refer to our DOCUMENTS section for more information.
Lead-free (< 0.1% by weight )
RoHS compliant with no exemptions.
REACH compliant.
Free of conflict minerals.
Free from halogens.
Free from ozone-depleting substances.